Many
Manuals
search
Categories
Brands
Home
Comtech EF Data
Networking
CDM-600
Specifications
Comtech EF Data CDM-600 Specifications Page 78
Download
Share
Sharing
Add to my manuals
Print
Page
/
90
Table of contents
BOOKMARKS
Rated
.
/ 5. Based on
customer reviews
1
2
3
4
5
6
7
8
9
10
11
12
13
14
15
16
17
18
19
20
21
22
23
24
25
26
27
28
29
30
31
32
33
34
35
36
37
38
39
40
41
42
43
44
45
46
47
48
49
50
51
52
53
54
55
56
57
58
59
60
61
62
63
64
65
66
67
68
69
70
71
72
73
74
75
76
77
78
79
80
81
82
83
84
85
86
87
88
89
90
CRS-170A L-Band 1:1 Redun
dancy Switch
Revision 3
Cable Drawings
MN/CRS170A.IOM
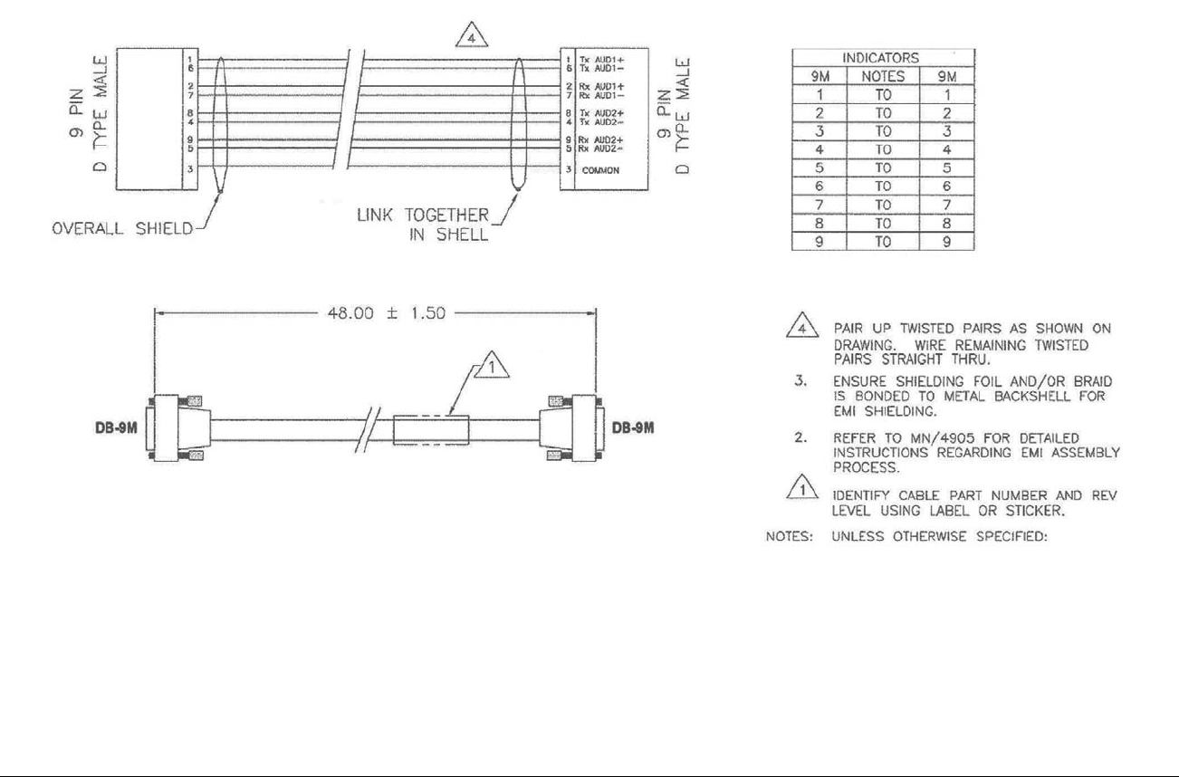
A.1.1
Modem to CRS-170A Universal Control Cable, DB-9M
Æ
DB-9M
Figure A-1. Universal Control Cable (CEFD P/N CA/WR9378-4)
A-2
1
2
...
73
74
75
76
77
78
79
80
81
82
83
...
89
90
L-Band 1:1 Redundancy Switch
3
Table of Contents
5
Figures
9
Preface
11
Preface MN/CRS170A.IOM
12
Safety Compliance
14
EN 60950
14
Equipment Connection
14
Environmental
14
Low Voltage Directive (LVD)
15
Warranty Policy
16
Limitations of Warranty
16
Exclusive Remedies
17
Chapter 1. INTRODUCTION
19
IMPORTANT
20
1.1.1 Modem Side Connectors
21
1.2 Functional Description
22
Introduction MN/CRS170A.IOM
23
• Safety
30
Chapter 2. INSTALLATION
31
2.2 Mounting
32
Chapter 3. MODEM AND SWITCH
33
CONFIGURATION
33
3.2.2 Carrier-in-Carrier
34
Redundancy Configuration
34
IMPORTA T
38
3.6 SDM-300L3 Configuration
40
Chapter 4. CABLES AND
43
CONNECTIONS
43
4.2 Cabling to the CDM-625
44
QTY Part No. Description
46
SCSI-II)
47
QTY Part No. Description
50
4.3 Cabling to the CDM-570L
53
1 4 CA/6357-4
54
4.4 Cabling to the CDM-700
59
(CDI-60) Interface Kits
61
(Multi-Mode)
63
4.5 Cabling to the CDM-710
65
Chapter 5. CONNECTOR PINOUTS
73
Appendix A. CABLE DRAWINGS
77
Cable Draw
88
METRIC CONVERSIONS
89
480 • 333 • 2200 PHONE
90
• 333 • 2161 FAX
90
Comments to this Manuals
No comments
Publish
Related products and manuals for Networking Comtech EF Data CDM-600
Networking Comtech EF Data CDM-600 User Manual
(4 pages)
Networking Comtech EF Data CDM-Qx User Manual
(4 pages)
Networking Comtech EF Data CDM-600 User Manual
(4 pages)
Networking Comtech EF Data CDM-840 Specifications
(110 pages)
Networking Comtech EF Data CDM-625 User Manual
(5 pages)
Networking Comtech EF Data CDM-Qx User Manual
(4 pages)
Networking Comtech EF Data CDM-500 Specifications
(88 pages)
Networking Comtech EF Data Vipersat 564L User's Guide
(176 pages)
Networking Comtech EF Data CDM-600 User Manual
(4 pages)
Networking Comtech EF Data CME-5200 Specifications
(54 pages)
Networking Comtech EF Data Vipersat SLM-5650A User's Guide
(154 pages)
Networking Comtech EF Data Vipersat CDM-570 User Manual
(4 pages)
Networking Comtech EF Data CDM-710G Specifications
(246 pages)
Networking Comtech EF Data CDM-625 User Manual
(8 pages)
Networking Comtech EF Data SDM-650B Specifications
(348 pages)
Networking Comtech EF Data Vipersat 564L User's Guide
(150 pages)
Networking Comtech EF Data SDM-309B Specifications
(240 pages)
Networking Comtech EF Data Vipersat CDM-570 User Manual
(5 pages)
Networking Comtech EF Data Vipersat CDD-564L Specifications
(254 pages)
Networking Comtech EF Data DMD-2050E Specifications
(342 pages)
Print document
Print page 78
Comments to this Manuals