
AGC Interface SDM-650B Satellite Modem
E–4 Rev. 5
Remote
J8
Gnd
CP1
CP2
Data
I/O
Mother Board
J5 J4
-5 +12 -12 +5
Gnd
-5 +12 -12 +5
J6
C2
Fault
J7
J9
MOD J1
DECODER J2
DEMOD J3
C1
C3
IF OUTPUT
IF INPUT
GND
AS/0769
AGC Interface
E2 E3 E4E1
C
B
A
1
8
B4
Wire Connections
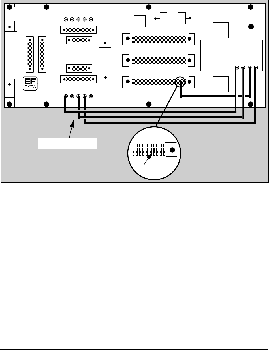
Figure E-2. Wiring Diagram
Comments to this Manuals